HOGA 和珈 專業於CRPS冗餘電源及高階伺服器機箱.

我們是 Acbel 代理商

康舒 Acbel 為台灣上市公司,為全球交換式電源供應器領導者之一。 除提供應用於個人電腦、智慧家電、智慧型手機、伺服器、網通設備等領域電源解決方案。

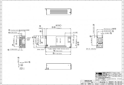
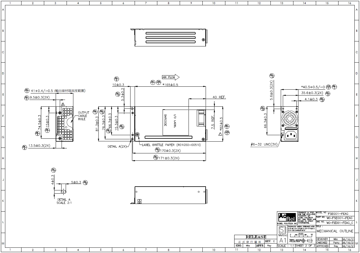
1U FLEX 400W (FSE001)

FSE001 400W Flex ATX 電源供應器

FSE001 是一款符合 Flex ATX 規格的高效能 400 瓦開關式電源供應器,專為工業與商業應用設計,提供穩定可靠的多路輸出電壓,包括 +12V、+5V、+3.3V、-12V 及 +5VSB。其擁有寬電壓輸入範圍(100~240VAC),並具備主動式功率因數修正(PFC),在 50% 負載下的效率高達 90%,符合 80 PLUS 節能認證標準,展現出色的節能表現。

本電源供應器支援最高輸出電流達 +12V/32A、+5V/16A、+3.3V/10A,總功率達 400W,並具備良好的負載交叉調整能力及快速的負載反應。即使在電源突然中斷的情況下,仍能提供至少 16ms 的保持時間,保證系統穩定運作。其電壓穩定度控制在 ±5% 以內,紋波噪音低至 50mVp-p(+5V、+3.3V)與 120mVp-p(+12V),適合對電源品質要求極高的應用環境。

安全性方面,FSE001-ZAAG 具備多重保護功能,包括過電壓保護(OVP)、過電流保護(OCP)與短路保護(SCP),當發生異常時可即時斷電防止損壞,且保護機制在排除故障後可自動重置或重新啟動。此外,其符合多項國際安全與電磁相容(EMC)標準,如 UL、TUV、CB、CE、FCC、BSMI、CCC 認證,能安心應用於全球市場。

本產品在環境適應性方面表現優異,運作溫度範圍為 0°C 至 50°C,儲存溫度可達 -40°C 至 70°C,並具備防震、防電擊與高海拔耐受力,運作海拔最高可達 5000 公尺。其壽命可靠,MTBF 超過 10 萬小時,濾波電容壽命亦達 26280 小時(在25°C、80%負載下)。

另外,電源內建 40x20mm 高速風扇(轉速 13000rpm),並配有溫控電路,可依據溫度自動調節風扇速度,確保最佳散熱與低噪音運行。FSE001-ZAAG 是一款具備高效率、強穩定性與優良保護設計的專業級電源供應器,適用於嵌入式系統、POS、伺服器、網通設備等高可靠度應用場景。

6
Images
1U FLEX 400W 01
1U FLEX 400W 01
1U FLEX 400W 02
1U FLEX 400W 02
1U FLEX 400W 03
1U FLEX 400W 03
FSE001-FEAG-MO
FSE001-FEAG-MO